Home >> Products >> KS-JIS Standard >> Stainless Steel >> Check Valve >> KS Stainlees Steel Middle Screw thread Check Valve
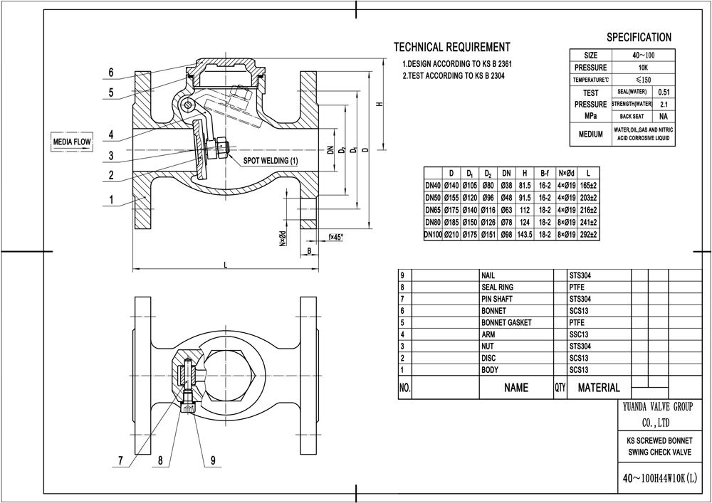
Technical Requirement:
1. Design and Manufacture: KS B 2361;
2. Face to Face: KS B 2361;
3. Flange End: KS B 2361;
4. Test: KS B 2304;
Product Details

Main parts and materials
| Parts Name | Materials |
| Body、Bonnet | SCS13 |
| Disc | SCS13 |
| Arm | SSC13 |
| Gasket | PTFE |

Product Features
The valve is composed of valve body, valve cover, valve disc, rocker and other parts. The valve disc can automatically prevent fluid backflow. The valve disc of this valve is opened under the action of fluid pressure, and the fluid flows from the inlet side to the outlet side. When the inlet pressure is lower than the outlet pressure, the valve disc will automatically close under the action of the fluid pressure difference and its own gravity to prevent the medium from flowing backward.
SUIT MEDIUM: WATER, OIL, GAS AND NITRIC ACID CORROSIVE LIQUID