Home >> Products >> KS-JIS Standard >> Stainless Steel >> Strainer >> KS Stainlees Steel Middle Screw thread Strainer
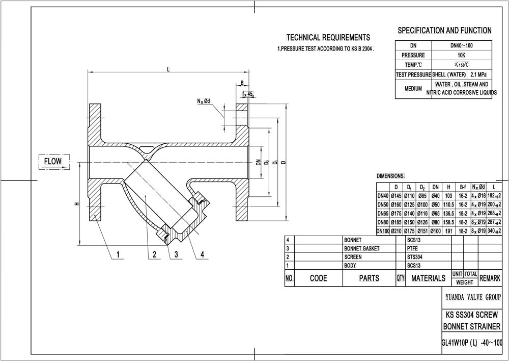
Technical Requirement:
1. Design and Manufacture:
2. Face to Face:
3. Flange End:
4. Test:
Product Details

Main parts and materials
| Parts Name | Materials |
| Body、Bonnet | SCS13 |
| Screen | STS304 |

Product Features
The valve body and cover are connected by screw thread.
Y - shaped structure is adopted to effectively filter impurities.
SUIT MEDIUM: WATER, VAPOUR, OIL AND NITRIC ACID CORROSIVE LIQUIDS